地址:深圳市宝安区福永镇凤凰工业区第3栋 电话:0755-2712-0370 邮箱:1410876570@qq.COM
台湾油升液压工业官方销售中心 版权所有 © All rights reserved
台湾油升液压工业官方销售中心 版权所有 © All rights reserved
手机:136-9218-9994
电话:0755-27120370
QQ :1410876570
邮箱:1410876570@qq.COM
地址:深圳市宝安区福永镇凤凰工业区第3栋

型号: SG 系列
产品叙述:
满油阀之功用是,作为液压缸与油箱之间的排油阀用途。在大型压力机构的快进行程需从油箱向油缸吸油。在加压时可防止油从油缸流入油箱。反向时油缸则会将油排至油箱内。
产品规格:
订购代码;
Model
Max. Pressure
kgf/cm2
Rated Flow
L/min
Operated Flow
L/min
Cracking Pressure
kgf/cm2
Weight
kgs
NO PL
USE PL
NO PL
USE PL
SG-16
210
300
450
300±70M
450±70M
0.12
20
SG-24
210
600
900
600±150M
900±150M
0.14
55
SG-32
210
1100
1600
1100±300M
1600±300M
0.16
105
Order No. SG-16
附件;
Series
Size
Type
SG-
16
SG: Prefill valves
16:2"
24:3"
32:4"
None:180°
L:90°

Model
A
B
C
D
E
SG-16
320
238
136
53
131
SG-24
394
394
165
64
165
SG-32
547
547
210
102
235
Model
F
G
H
I
J
SG-16
70
120
33
33
20
SG-24
93
170
42
30
22
SG-32
120
220
42
30
25
Model
K
L
d1
d2
d3
SG-16
20
50
61
61
PT3/8"
SG-24
18
75
92
92
PT3/8"
SG-32
18
105
116
116
25

Model
A
B
C
D
E
F
G
H
I
J
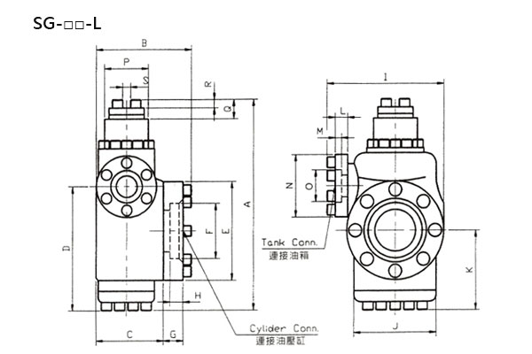
SG-16-L
394
250
183
235
140
92
42
22
245
150
SG-24-L
547
305
243
305
220
116
42
25
280
200
Model
K
L
M
N
O
P
Q
R
S
SG-16-L
160
30
18
120
92
-
-
-
PT3/8"
SG-24-L
200
30
18
200
116
60
20
10
28