地址:深圳市宝安区福永镇凤凰工业区第3栋 电话:0755-2712-0370 邮箱:1410876570@qq.COM
台湾油升液压工业官方销售中心 版权所有 © All rights reserved
台湾油升液压工业官方销售中心 版权所有 © All rights reserved
手机:136-9218-9994
电话:0755-27120370
QQ :1410876570
邮箱:1410876570@qq.COM
地址:深圳市宝安区福永镇凤凰工业区第3栋

型号: SRC
产品叙述:
SRCG系列节流阀附止回阀之主要功能,是调整回路速度。当压力几乎固定,或是压力变动,允许少量流量流动的情况下,使用此系列阀,油可从出油口自由流向进油口。
SRCT系列节流阀使用在机构速度的调整。当回路压力几乎固定,或因压力变动产生的流量波动。由于结构上之平衡,因此在高压时也可容易调整。
产品规格:
订购代码;
Model
Max. Operated Pressure
kgf/cm2
Rated Flow
LPM
Weight
kgs
G
T
SRC*-03
210
30
2.1
1.2
SRC*-06
210
80
4.0
3.2
SRC*-10
210
200
8.1
7.1
附件:
Order No.
Series
Mounting
Size
Type
SRC
G-
06-
10
SRC: Throttle And Check Valves
G : sub-plate mounting
T : threaded connections
03: 3/8"
06: 3/4"
10: 1-1/4"
10 : NON-ISO MOUNTING
20 : ISO MOUNTING
SRCG-03-10 has M8 60L 4pcs
SRCG-06-10 has M10 70L 4pcs
SRCG-10-10 has M12 100L 4pcs
SRCG-03-20 has M10 45L 4pcs
SRCG-06-20 has M10 50L 4pcs
SRCG-10-20 has M12 55L 6pcs

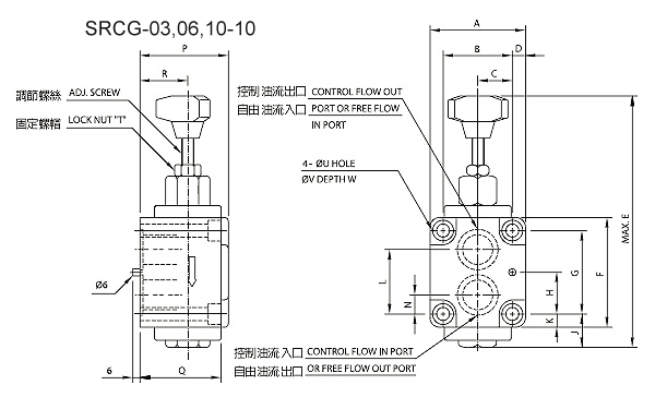
Model
A
B
C
D
E
F
G
H
J
W
SRCG-03
60
40
20
10
179
80
60
30
28
8.6
SRCG-06
80
58
29
11
213
95
70
35
30
10.8
SRCG-10
100
72
36
14
228
120
92
46
31
1
Model
K
L
N
P
Q
R
T
U
V
SRCG-03
10
45
15
62
55
35
19
8.8
14
SRCG-06
11
54
16
74
68
40
19
11
17.5
SRCG-10
14
71
21
97
82
50
22
13.5
21

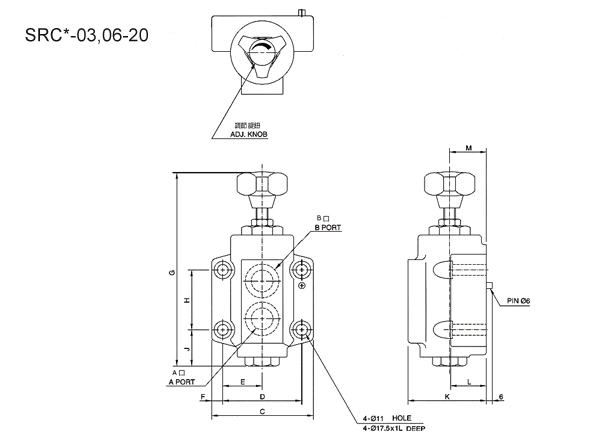
Model
A
B
C
D
E
F
G
H
J
L
N
SRCT-03
70
35
40
180
62.5
58
42
21
40
19
3/8"
SRCT-06
100
50
60
215
83
65
62
31
60
19
3/4"
SRCT-10
130
65
80
228
106
77
82
41
80
22
1-1/4"
Model
C
D
E
F
G
H
J
K
L
M
SRC*-03
90
66.7
33.3
11.7
173
42.9
32
64
31
31
SRC*-06
102
79.4
39.7
11.3
203
60.3
36.5
79
36
37